2.54mm (0,1''
-
katerials (contacts): alliage de cuivre, or ou étain (surnickel) finir
Materials (boîtiers): plastique standard ou haute température, classé à UL94V
Current: 3A par contact-
NContact Résistance: 30mΩ Max


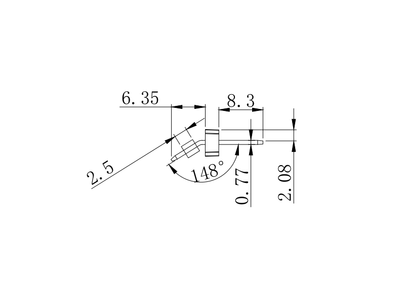
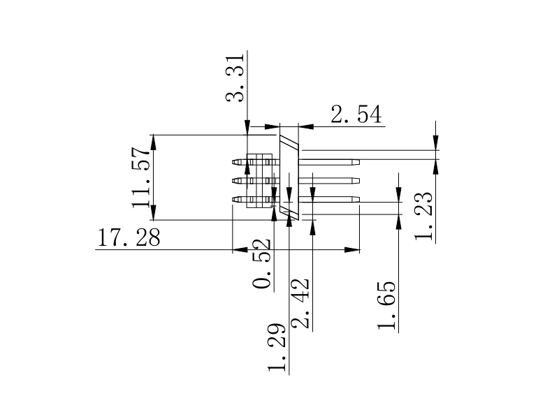
Les dessins suivants sont à titre de référence.we peut personnaliser la conception dont vous avez besoin. Contactez-nous si vous avez besoin de connecteurs de personnalisation.
&#
CAlt Type de package est destiné aux connecteurs SMT, protège les broches de DéformationConvenient pour le traitement automatique de l'assemblage et du ramassage et économisez beaucoup de coûts de main-d'œuvre.
CTHIS Type d'emballage convient à denombreux types de connecteurs en fonction des besoins, cette méthode d'emballage protège mieux les broches de la déformation.&#

Nom: Haimei Liang
Profession: sales manager
département: Sales Department
Téléphone de l'entreprise: +86 0769 83450370
E-mail: Contactez nous
Téléphone portable: +86 18929181819
Site Internet: dgwin.frainfo.com
Adresse: No.67,Dongshen Road,Qiaotou Town,Dongguan City,China